|
Reply 8570 OEM Planar
70_FLASH.EXE 8570 planar upgrade flash
BIOS v1.18.02
rf70plan.exe 8570 planar upgrade reference
diskette
Reply 8570 OEM Planar
32-bit Mode under W95
Reply 8570 Upgrade
OEM Planar
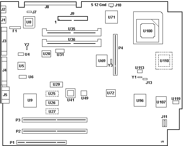
F1 KB fuse 5MF 3A 250v
J1 Mouse
J2 Keyboard
J3 Parallel
J4 DB25 Serial
J5 HDD-15 Video
J7 3 pin jumper
J8 Power edge connector
J9 IDE interface
J10 3 pin header (power for IDE
drive?)
J11 Header for Spkr/Battery
J13 Password clear?
P1 16-bit AVE slot
P2-P3 32-bit slot
P4 16-bit riser slot
U4 1.8432 MHz osc
U5 PC16550CV / NS16550AFV
U6 Linear LT1141CS
U8 02M3285 N8742AH |
U9 Cirrus Logic CL-GD5426
U20 Chips F82C226
U25-27, 29 MT4C16257DJ-7
U31 Sony CXK5864BM-10L
U35, 36 72 pin SIMM sockets
U41 02M3286 (PLCC flash)
U49 CSI CAT28F010N-15
U69 N82077SL
U71 Chips F82C322A
U72 Chips F82C321A
U96 Chips F82C325A
U100 486DX socket
U107 Chips F82C223
U110 Solder pads for two different
sized PQF
U113 IMI SC425AXB RTC?
U119 40.0000 MHz osc
Y1 143NDK37. xtal
Y2 32.768 KHz tuning fork xtal
Y3 S240 xtal 24MHz xtal for 82077SL? |
U35-U36 Supports 4MB or 16MB 70ns
and 80ns Industry standard SIMMs. Up to 32MB memory support (31MB addressable)
006 Error
006 error occurs after adding memory to an 8570 with either of
the following system board upgrades installed:
- 486DX 33MHz, Option P/N70G8988
- 486BL2 66MHz, Option P/N32G3300
The 8570 upgrade only supports 4MB and 16MB Industry Standard Memory
Simms. Memory transferred from the previously installed system board
will not function on the upgrade boards.
IBM offers a 4MB Industry Standard Simm, Feature Code
7634, Option P/N92G7201 and a 16MB Industry Standard Simm, Feature Code
2011, Option P/N92G7204 or P/N60G1622. Memory must be identical in size
and speed if using both memory SIMM sockets.
Rich Wolos grabbed a 16MB parity from his Lacuna 77 and
it worked fine.
Just to Show this Means Business
Billy Wong wrote:
BTW I also tried to upgrade the board's 8 megs of RAM
(two 4 meg modules are on it already) with the two IBM 8 meg 70ns true
parity simms and it gave me the 006 error.
Memory Expansion Adapters Supported
The following memory adapters are supported:
o 2-8MB 80386 Memory Expansion Option (#5211, 6450605)
o Enhanced 80386 Memory Expansion Option 2MB Kit (#3077,
34F3077)
o Enhanced 80386 Memory Expansion Option 4MB Kit (#3011,
34F3011)
The channel memory adapter PS/2
80386 Memory Expansion Option (6450367) is not supported on the Model 70
planar upgrades.
Now if this was understandable...
U100 5v 17x17 486 socket, however,
it has the outline (and 19x19 array!) of a ZIF. POD hack? I have popped
in a 486DX4-75 and it ran fine.
The HMM calls this a "P23T Upgrade connectors"
U110 Outline for two different
flat packs. My guess- 486SLC or 486SX.
J10 Power header for IDE drive
().
From left to right (power connector edgecard towards CPU) +5v, 12V, GND
U25, U27 Outlines for Video DRAM
Two Planar Upgrades Available
Two microprocessor types were available
The 486DX-33 includes an integrated memory cache controller and Math Co-Processor
support. The clock speed operates at 33MHz for the internal and external
operations.
The IBM 486 BL2-66 includes an internal memory cache controller
and 16KB memory cache. The clock speed operates at 66MHz for the
internal operations and 33MHz for external operations.
(Ed. Where do they
derive the 33MHz from? I saw NO 66 or 33MHz osc..)
Alfred Arnold finally
can't stand it and he blurts out:
You asked where the 33MHz clock is coming from.
I am quite sure they come out of U113. This is a so-called 'clock
synthesizer' chip that typically gets a 14.31818 MHz clock (Y1) as input
and uses programmable frequency dividers and multipliers to generate arbitrary
output clock frequencies (J13 might be a jumper to select between two frequencies,
haven't checked that so far). Such synthesisers first became popular
with Super VGA boards since they needed a lot of different clocks for the
different resolutions and you were able to replace half a dozen discrete
oscillators with one crystal and such a synthesizer chip. These days,
they're a standard component on every PCI man board.
32 Bit Mode
under W95
From Greg Frantz
I finally got in front of one of the machines. Here is
what I manually added to get the system working.
Standard IDE/ESDI Hard Disk Controller (Change to manual settings)
Basic Config 0
I/O 01F0-01F7
I/O 03F6-03F6
IRQ 14
This will enable the HDD in 32-bit mode and has also allowed
me to use a 4x
Toshiba CD-ROM. To get the floppy to work, install the Standard
Floppy
Disk Controller after getting the HDD working. The other thing
to note is that the floppy had to be a sony for me to get it working.
Video
SVGA video up to 1024 x 768 pixels (1MB video memory standard)
W95 Experiences
Al Brandt sez:
I loaded mine up with Windows 95 and with the Cirrus
Logic video, you can get up to 800x600 at 16-bit color. I don't know if
the W95 driver does that, but I know that it at least does 640x480 at 16-bit.
9595 Main Page
|