Lacuna Planar
7677ref.exe 76/77 Reference
Diskette Version 3.10
7677diag.exe 76/77 Diagnostics
Diskette
G7jt61a.exe 76/77 BIOS revision
build 61A
7677dosd IBM Enhanced Local Bus
Dos/Win 3.1 driver disk
S3 928 Windows 95 drivers disk
Win95-Setup
for S3-928
to PeterWendt's site
86C928 GUI Accelerator 202
pages
Alfred Arnold's VRM Hack
35 / 56 / 76 Power Supply
40 / 57 / 77 Power Supply
Lacuna Planar
BIOS Flash Disk
BIOS Revisions
Can't Access
System Partition
Processor Upgrade
5V CPU Jumper Setting
Installing 83 / 63
MHz POD
Voltage Regulator Module
VRM Circuit
VRM Hack
Interposer for POD
Interposer Source
Dirty Secrets of the POD
IDE Devices
IDE Hard Drive
10.2GB Maxtor Under
W98
IDE CDROM
IDE Zip Drive
IDE Header
Boot Sequence
IDE
Capabilities
IDE CD-R
Parallel Port
ECP Support
Direct Cable
Connection under 95
"!" Under 95
Video
S3
Drivers for 928
S3-928 Trivia
800x600x64k under
W95
AVE Slot
Video
Adapters under W95
Lacuna Video
Glitch
Mediaburst Module
Cache Modules
Compatible
Cache Sources
Installing and
Removing Cache
L2 Cache
Module Identification
Overclocking
the
Lacuna board
25/33MHz
Lacuna SynchroStream Controller Limits
Speaker Noise
Lacuna
Planar (76/77 i/s)

J1
Mouse
J2
Keyboard
J3 Parallel
Port
J4 Serial
Port
J5 Serial
Port
J6 Video
Port
J9 Video
Memory Socket
J10
MEM4
J11
MEM3
J13
MEM2
J14
MEM1
J15 MCA
Riser
J16 IDE
Controller (40 Pin)
J17 Floppy
Controller (44 pin)
J19 Voltage
Select Header
J20 Power
Socket
J21 Power
Switch / Speaker
J23
LogicLock Socket
JMP1 (J7)
Power-On Password
JMP2 (J8)
Priviledged Access Password
JMP3 CPU
Speed Select (J12)
OS1 66.6667
MHz |
R6
Keyboard Fuse (PTC Resistor)
U11,12
IBM025160LG5B-70
U15
10G4672
U16
68G3088
U18 AT&T
ATT20C490-11 RAMDAC
U20 S3
86C928-P
U28 ICS
ICS1494M
U30 Socket 3
237-pin ZIF socket
U31 52G7656
U39
95G9659
U47
68G3096
U51 L2 Cache
Socket
U57 82077SL
Floppy Ctrlr
U58 Dallas
DS1585S RTC
U65
95G9689
U71 ICS 5402
(?)
U74 71G0438
(SSC)
U75
96G1062
U76
96G1061
VR1
LT1085CT VR
Y1 14.3
KHz
Y2 32.768
KHz??? |
JMP1 is the Power-On
Password jumper. The POP can be cleared by moving the
jumper to the other set of pins, then powering on. After
power on, you can leave the jumper on the pins that you
moved it to.
JMP2 is the Privileged
Access Password jumper.
Locked State: jumper across middle pin - pin 1 PAP cannot
be set, changed, or removed.
Change State:- jumper across pin 0 - middle pin PAP
can be set, changed, or removed.
My humble suggestion - DON'T SET
THE PAP! If you forget the PAP, only the
last saved configuration is valid. You will never be able
to successfully change the configuration again. The PAP
function involves writing the state to an unknown area of
the NVRAM and another memory chip. If the PAP is dorked,
for all intents the planar is hosed.
Memory Supported
4MB, 8MB and 16MB 70-nS SIMMs, Parity or ECC
Flash
Disk, Build 61A
The 7677 FLASH Disk is for the Lacuna planar.
Older Model 76 and 77 have the Bermuda planar which does
*not* have FLASH BIOS.
BIOS
Revisions...
Charles Lasitter
>So how did anyone figure that "8" was an
improvement, other than Y2K? I'm guessing that "4"
would have worked after a manual reset.
Peter Wendt
The later BIOS releases after 02 / 03 contain some few
fixes for the nasty Booktree RamDAC problems that cause
checkerboard / yellow / half-screen-black / speckled
ASCII-garbage video errors under OS/2 and give
additional "over 524MB IDE support". Haven't read all
the accompanying comments :-)
Jim Shorney
Hmmm.... Just checked. My Lacuna is Rev. 7,
happily running a POD 83, write-back, no
interposer. Guess I'll leave it at seven.
Can't
Access System Partition on 76s (maybe others)
On the 76i / 77i with the Lacuna planar (and planar IDE,
S3-928 SVGA) the "system partition" is only for
convenience - but it is not required for getting parts
of the BIOS into the memory as on the older 76 / 77 with
the "Bermuda" planar.
The 76i / 77i are "non-IML" machines and do
not support a "real system partition" anyway - they just
offer the ability to "park" the reference and diagnostic
disk for easier access on the harddisk. Otherwise called
a Convenience partition.
Ed.
But they DO support a Convenience Partition IF you use
an IBM SCSI adapter (NOT the FD SCSI-2 that is
standard). To install a Convenience Partition and be
able to access it, you have to LLF the drive and then
restore the partition. Just running "Restore System
Partition" without LLFing the drive first will result in
the system refusing to access the partition. I
have a Fast/Wide in my 77s, and I can bring up the
Convenience partition with F1. So much better when you
have a huge pile of poorly titled or untitled floppies
on your desk...
However: I had similar problems getting a
system partition on the drive. There had been one once
on your drive (the unused 4MB space) but it has been
loused up by what reason - same what happened to me. In
this case the MBR of this "hidden" partition is invalid
and cannot be used any longer. Therefore "Restore system
partition" does not work. The only way to get it back is
in fact a Low-Level format. In fact the order is
important.
You need to instal the system partition
first, *then* run FDISK from any other operating system.
Some FDISKs (like that from OS/2 2.x) do not always
accept the "system partition" as hidden ... :-) ... and
simply overwrite it or corrupt the boot / MBR
informations. OS/2 2.1 CID installation was famed for
lousing up the system partition on the 76i / 77i.
My recommendation: If you already
have a lot stuff on the drive - leave it as it is. If
you'd only installed the Win95 so far - mind running the
LLFORMAT and install a system partition. You need to
start with the reference in A: and press CTRL+A in the
main menu to start (A)dvanced Diagnostic. Then run
"Format harddisk" and follow the instructions on the
screen. Reboot after finish - restart with the reference
disk and run "Restore system partition". Worked fine
when I tried it last time ...
Processor Upgrade
Installing
a 5V Upgrade CPU

Jumper 3-4, 5-6, 7-8 (pin-9 = N/A).
Installing
an 83 or 63 MHz Pentium Overdrive Processor
Diags Level G7GT55A or higher and
interposer required. Jumpers must be set in J19 as for a
5V cpu (the POD has a built in 5v to 3.45v
convertor)
Installing
a 3.45V Upgrade CPU
Remove the jumpers. Install VRM.
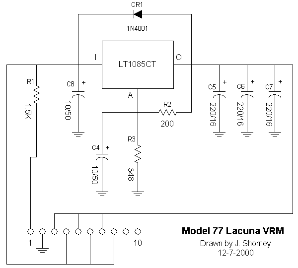
VRM
The Voltage
Regulating Module (VRM), made especially for the
9576/77i system board. It is used to reduce the CPU
core voltage from 5.0VDC to 3.45VDC. That makes it
possible to put an Intel 486DX4/100 or AMD 5x86/P75
CPU on the board to upgrade the performance.
R1 1.5K 1/4
w 5% mf
R2 200
1/4w 1% mf
R3 348 1/4w 1% mf
CR1
1N4001
C4
10uF 50v 105c
C5
220uF 16v 105c
C6
220uF 16v 105c
C7
220uF 16v 105c
C8
10uF 50v 105c
mf-metal film
VRM
Circuit Diagram
Jim babbles on about some good to know stuff...
R2 and R3 should be 1% or better precision
resistors, since they set the output voltage of the
regulator. NOTE:
Don't substitute a 'close' standard value for R3. If you
don't have access to the exact value; a 300 ohm resistor
in series with a 100 ohm trimpot could be substituted
for R3 to allow fine trim of the regulator voltage.
The formula for calculating the resistors is in the
regulator data sheet. Use the simpler formula that
ignores reference current.
1083fds.pdf
LT1083/84/85 7.5, 5, 3A Low Dropout Pos Adj Regulator
VRM
Hack
By Alfred Arnold Take a look at it HERE
(messy, messy)
Interposer
Interposer is required to properly support
L2 cache on a number of systems. Sometimes, even an
interposer isn't enough... 19x19 pin - PGA socket
(top-view) Push out the identified pin using
a solder iron.
From Tam Thi Pham
Tested out a custom home-brew interposer
with the "missing" pin as shown and lo and behold, I can
now enable write-back caching on the 256K cache module
when run a Pentium 83MHz Overdrive. Previously, I could
use the POD but only with the cache set to
write-through.
NOTE: Some systems
do NOT accept ANY L2 cache modules. I have three
Lacunas, none of them supported any of the IBM marked
modules or IDT modules. Other people (Bob Watts among
others) just seem to drop a POD in their machine, toss
in any old L2 module, and it comes up happy. It is NOT
the fault of the interposer. Read below for
details.
Dirty
Secrets of the POD
From Peter Wendt
>The whole Pentium Overdrive debacle was a mess from
the beginning, with Intel changing specs and making
motherboard manufacturer's and BIOS writers crazy. And
Louis tried every BIOS level and revision I'm sure.
In fact they changed the PODP specs shortly
before announcement. This L2 communication problem shows
up on all these machines where the design work starts in
early 1993. At IBM these are namely the PC-300 and the
"Lacuna". In a way the PODP was the Edsel of the
processors: good idea, bad marketing - and outdated in the
right after announcement. Intel hurried it a bit - when
the problems showed up the major work was already done for
the board-makers.
The main reason AFAIK: the original concept
did not include boards with L2 WB-cache .... the most of
the older boards did not have L2 - and if, then it were
simple WT-cache. The problem got sharpened with the
introduction of the "COAST" specification originally
designed for "real Pentiums", when it got adopted by the
486/POPD developers. Good example: the PS/VP Series 2. A
straight 486-board with cache SIMM. That wasn't planned
that way.
IDE
Devices
Method for Interrupt
Sharing with IDE Hard Files in IBM PS/2
Systems
Disclosed is a method that allows the
interrupt request of an IDE hardfile to be shared
with
another device (e.g., SCSI hardfile) on interrupt level
14 within an IBM PS/2* system.
The interrupt request (IRQ) of an IDE
interface was designed to be on a non-shared interrupt
level. According to PS/2 Micro Channel* system
architecture, all hardfile IRQs are shared on interrupt
level 14. In a Micro Channel computer system that
supports both an IDE hardfile and a SCSI hardfile,
a problem arises. The essence of the problem is that
because the IDE interface IRQ was designed to be
non-sharing, no IRQ "indicator bit" exists in any of the
IDE status registers. In order for interrupt handling
software to determine which of two or more devices
sharing an IRQ level is the requesting device, an IRQ
"indicator bit" or status bit is needed. The Figure
shows a simple solution to provide the IRQ "indicator
bit".
To provide the IRQ "indicator bit" for the
Micro Channel IDE interface, bit 2 of port 92 was
selected. In previous systems bit 2 (port 92) was
connected to a pin in the I/O controller chip called
SECURITY OVERRIDE. SECURITY OVERRIDE is a signal
that can be mechanically jumpered to ground by a
customer engineer to override and reset the system
password. It sets port 92 bit 2 which is read by
POST during system power-up initialization. In
normal functional operation, SECURITY OVERRIDE is
a static signal tied to +5V. Because SECURITY
OVERRIDE will only be jumpered to ground in the unlikely
and infrequent case of a customer engineer making a
repair to a PS/2 system, bit 2 of port 92 is multiplexed
to monitor the IDE IRQ14 line and serve as the needed
"indicator bit" as shown in the Figure. The enable
for the multiplexer is bit 4 of port E3 which is an
output (ROM_PAGE) from the memory controller.
During POST initialization, bit 4 of port E3 is set to
0, and the SECURITY OVERRIDE signal is selected and its
polarity can be read from bit 2 of port 92. After
the necessary testing and initializations have
been done, bit 4 in port E3 is set to a 1 before exiting
POST. IDE IRQ14 is then selected through the mux
shown in the Figure and latched with a free-running
clock into bit 2 of port 92. Bit 2 of port 92 then
functions as the IDE IRQ "indicator bit".
IDE
CDROM on 76/77 i/s
I recently bought an IDE CD-ROM for a 9577 (VTG).
I connected it on the motherboard IDE controller. It
works correctly under DOS with the following commands in
CONFIG.SYS: DEVICE=BTCDROM.SYS /D:MSCD001 and
C:\WINDOWS\COMMAND\MSCDEX.EXE /D:MSCD001 /V in
AUTOEXEC.BAT
But when I try to start Windows 95, everything
STOP during the initialisation of Windows.
Morten Kristensen
You have to manually install an IDE driver in Win95.
Controlpanel -> Add New Hardware. Do not let Windows
find it automatically! Add an Standard IDE/ESDI Harddisk
Controller, IRQ=14, I/O=0x170 (maybe it is 0x1F0). Now
you are able to use the CD-rom without
DOS-drivers.
IDE
Hard Drive
. I used these to run a WD2540 in 32 bit mode Same as
above, Manual installation.
Standard IDE/ESDI HD Controller
IO Range 01F0-01F7
IO Range 03F6-03F6
IRQ 14
Though others have successfully used the
Busmaster IDE HD controller. When I set up the 540, it
was for an ISA/PCI machine with built-in IDE controller.
I was looking for as much compatibility as
possible.
Maxtor
10.2 GB IDE Under 98
From Michael Lybarger
I just installed a Maxtor 10.2 gig
"Diamondmax" 7200 rpm unit on my 77s and upgraded to win
98 (from 95). I could not get the hard drive, CD
rom or floppy drive (!) to run with a protected mode
driver, as they did with my previous configuration
(using 2 SCSI 270 MB drives instead of the big IDE and
one SCSI I have now).
First I tried to use FDISK, (the
latest version, that supports 32 bit), but it would not
allow me a partition bigger than 7.23 gig or something
like that. I do not know the reason for this.
Anyway, the max blast program worked great- I got the
whole 10.2 gig (which was the primary reason for going
to win98 anyway- 95a does not support a 32 bit
FAT). As I said, once I got it set up properly on
IRQ 14, It ran in protected mode with the windows
driver.
From Ron Doran
I have recently had great success with on
850MB Western Digital IDE drive on the connector
with no formatting problems, but the machine puked when
I tried 2 different 1024MB Seagate drives on it.
(puked=low level format) ;)
From Peter
If you have a BIOS revision 07 or 08 even
if you have a drive over 4GB you don't need a
disk-manager ... you only cannot install a convenience
partition on that drive. My 9577-BTG has a 4.51 GB
Seagate Barracuda installed. Works fine - but I have to
fiddle around with the ref- and diags-floppies once I
change something.
IDE ZIP
+ Lacuna ( IDE )
From Bob Watts
Since the Iomega ZIP drive is an ATAPI compliant
device, I was pretty sure it would work, but you
never know. I simply plugged it into my IDE cable, and
Windows 95 OSR2 found it and installed it instantly with
no problem.
For further information, an IDE
CD-ROM device was previously on this cable, and it is
jumpered as Master, and the ZIP drive is jumpered as
Slave. Also, an IBM 0662 1 gig SCSI drive is the boot
drive, on the factory installed Future Domain
controller.
Boot
Sequence
The "Lacuna" board has a 40-pin single-channel IDE
controller port just above the FDD-port. It nicely takes
harddisks over 524MB if the Flash.-BIOS release is 08 or
09 (G7GT61A).
The IDE-channel accepts two devices in the
usual master / slave configuration on a standard
IDE-cable. There is however some care required if you
want to use it simultaneously with the SCSI adapter. You
need to set the boot-sequence in the "features" properly
- to avoid problems when the system tries to boot from
an IDE CD-ROM ... :-)
IDE Planar Header
Based on personal experience, the IDE
header on the Lacuna planar uses a polarized plug. BUT
look at the header- it uses TWO keys, one near each end.
If you have the common IDE polarized plug on your cable,
it has ONE centrally located key....
Luckily, I found a non-polarized plug (no keys at
all). All you ISA/PCI veterans know what to do if the
system refuses to boot- check the
cable pin 1... (I just turned the cable 180,
plugged it in, and it booted).
If you do not have the uncommon dual key
plug, simply use a file or a sharp knife and
remove the polarizing key off an IDE cable you have
laying around. Note that Pin 1 is toward the riser! Look
at the planar illustration. The red marked wire goes
toward the riser!
From Dr. Jim
If an IDE data cable is plugged in
backwards, it can hold the reset line on the motherboard
down. The result is a motherboard that appears
dead.
Pin One Makes a Difference
From Martin Adams
I tried to install an IDE CD drive. I had
read all the stuff on Louis page on installing a IDE CD.
And reviewed all of Bob Watts notes, looked very easy. I
had a cable with out any external key so it would fit in
the weird double keyed socket. (Ed.
Look directly above this paragraph!)
I had the drive set as master, but what
ever I did, 3 different cables 3 different IDE CD's.
Another planner. Nothing would work. Damn drive door
wouldn't even open.
I was looking at the planner and it hit me.
I had assumed that pin 1 for the IDE port was on the
same end as the FDD cable. I noticed one of the middle
pins that was cut for use of a cable the was plugged to
act as a key.
I had been hooking up the cable on the
planer backwards all the time! So
note pin one for the IDE is towards the riser card.
IDE Controller Capabilities
The onboard IDE is a "single channel"-IDE but rumors say
BIOS 08 is capable to handle drives over 528MB, mine at
home currently runs with a 650MB, so it is in a way a
"half EIDE" interface. Pretty strange.
IDE CDR
>I have the IDE version of the Model 9576. I want to
add an IDE based CD-Reader Writer BUT can't getr the
reference program to recognize the fact that something
is there.
Peter responds
Uhm ... do you still use the IDE port for a
harddisk ? If so: check if the harddisk requires a
particular jumpering for "Master with a Slave". "Single
Drive" should be avoided consequently :-)
If you don't have a HD on the IDE port:
jumper the CD-burner as "Master". The IDE port often
dislikes the use of a "Slave only" configuration. And
check your systems' BIOS level. Those before 07 had
several limitations on the type of supported devices /
drive sizes. Take 08 at least.
Video
S3
928 Video Drivers
S3 and Diamond
merged, lookit HERE
S3-928
Trivia
Peter implies:
1. The S3-928 version used in the Lacuna contains a
"special" IBM video bios that includes all XGA-2 modes
to allow the use of 951x monitors with that machine.
2. The S3-928 cannot be disabled physically. It goes in
some sort of "sleep mode" when another VGA / SVGA
capable card is detected - nontheless parts of the card
is still activated and *may* cause trouble.
Not confirmed: the early BIOS releases
below 07 seem to be more vulnerable to video
disturbances with S3 and other video cards. One thing
IBM tried to fix with 07. In either case you better use
a BIOS 08 - also for the "over 524MB HD" capability.
3. The XGA-2 card has not been announced to be used
with the "Lacuna" series anyway. IBM seems to have
removed the card from the list, because in the first
announcement of the 76i / 77i the XGA-2 is still listed
- not in the later product / option matrices and product
descriptions on the "Lacuna".
4. The 9515 and 9517 monitors are not 800 x 600 capable
*per IBM*. They can be tweaked to show an 800 x 600 like
picture, but it is distorted and the monitors have no
explicit mode for it. These screens are "XGA-2 only"
Multi-Mode screens with fixed adjusted presets. They are
no Multisyncs.
If you want to run the Lacuna with most of
the possible modes switch to a 9525 or 9527 monitor. Or
any other good SVGA screen. I run my "workhorse"
9595-S30 with XGA-2 on an Eizo F35, the 9577-BTG runs
with a NEC 15XE and both do fine.
5. Nontheless the XGA-2 (at least) will run in a
Lacuna. There might be some interference to clear out
manually during OS installs, which is the primary video
system. This is usually the one with the monitor
attached. In 99% of all cases OS'es get that right - but
sometimes the onboard video is ranked higher and the OS
gets confused. (Haven't seen that too often to be true -
but can happen).
800x640x64k
under W95
The onboard-video chipset is a S3-928 SVGA.
The box runs nicely with Win 95 - will most likely also
run nice with Win98, since it has IDE and not IBM MCA
SCSI (which is only merely supported with 98). To
install the appropriate drivers for DOS/Win 3.x / Win95
see the "W95
Setup for S3 SVGA" setup page. This will enable
your machine to use the full potential of the S3
chipset.
AVE
Slot
Display adapter cards that use the Auxiliary
Video Extension when installed in a system require
installation in slot one (9576) or slot two (9577) and
attachment of a display to the system video connector
during configuration of the system.
Video Adapters under W95
There is no way I know of disabling the
on-board video. W95 says there is a conflict, but none
shows up under Device Mangler. You cannot successfully
configure the add-in video card.
Lacuna Video Glitch
>I have a 77s that has displayed a charming
quirk- it waves the top half inch of the screen. Not all
the time, but...
Please check the type of the Video
RAMDAC - and the origin of the S3 chip. Some
Thailand-S3s have internal bugs using an earlier
stepping mask. The RamDac should be the AT&T in this
case. These were the machines that cause massive faults
under OS/2 2.1 ...
The S3 chips are famed for a lot
"undocumented features" (like using an address for COM4
(? yes - think so)) and this chipset is -basically- a
VESA Local Bus chipset which is stitched in the Lacuna
planar with a hot needle.
>IIRC, the last three digits of one of the S3's I/O
ports is 2e8. Like B2e8h or something.
Yep. That was it.
>If I understand this correctly, it wasn't S3's
fault that some com port hardware did faulty address
decoding.
Yes and No. On MCA it wouldn't have been too bad,
because MCA *should* use a full decoding (or: 24 bits at
least, 16 bit for the I/O range), but -again- the VLB
chipset was a little buggy already, before IBM decided
to put that on a MCA platform. Who's to blame ? S3 -in
addition- delivered chipsets which were out of specs for
some series which made things worser than it already
was.
>The workaround was to not use com4/2e8 if possible,
or to remap com4 to a different address if it was really
needed.
IBM's COM3 - 4 ports on the PS/2 were not "XT-style" so
this COM/Video interference wasn't much of a problem
here. It was *much* worser on the "Rocket" PS/VP Series
3, which were PCI/ISA with more generic layout and
addresses. They used S3 chipsets too ...
>I have seen Lacunas with S3-928 Rev. G and Rev.
P. Seen both kind with either a BT or
AT&T DAC also.
Most likely
the -G- revisions are afflicted by what IBM
euphemistically called "video timing glitch" ... and
which causes the entire machine to crash under OS/2. IBM
offered various bug-fixes for OS/2 2.1 and tried to fix
the problem with modified hardware as well, which lead
to slight incompatibilities with driver versions. The
drivers for the original (un-fixed) 2.1 did not work
very well with these machines. The APARs offered for
Germany were .... now ... not so good. The US-APARs seed
to be better, but you should not mix different language
versions within any OS. The later series of the "Lacuna"
seemed to be more stable and especially with OS/2 Warp
the problems rarely occured.
Some machines that have been migrated
to Win95 show up odd effects recently. Especially when
switching to and from DOS-boxes into full-screen hi-res
modes may cause the system to hang, fall into GPF or
show odd colored icons / missing icons / speckled screen
etc. This seems to be caused by a faulty, out-of-time
palette read ... haven't noticed that on my machine, so
I guess the -P- level of the S3 seems to be stabilized.
Mediaburst
Module FRU 71G5839
CN1 Male 68 pin
VMB
U1, U2 Solder
pads
U3 Vialogic VL i110
A
X1 32.000 MHz
X2 25.000 MHz
mediabst.exe
DOS/Windows drivers
mediaos2.exe OS/2
2.11 drivers
mediaos2.txt
readme for Mediaos2.exe
U3 is a Vialogic
PowerPlay 32 (3 Squared)
MediaBurst Movie Adapter expands up to
four times the window size of many software motion-video
compression algorithms, such as Video for Windows or
Ultimotion(TM), and provides access to the VESA Media
Channel (VMC)
The MediaBurst Movie device driver uses the
PowerPlay 32 video accelerator chip to
provide enhanced playback of digital video. This
allows viewing of video clips in larger-sized windows or
full-screen without the degradation in speed and
picture quality usually associated with software motion
video.
Key features of the MediaBurst Movie option
include:
o Full-screen video at up to 30
frames per second (fps)
o Smooth scaling of the video image
for better picture quality
o Support for IBM OS/2 MMPM/2 and
Microsoft Video for Windows movie formats:
- INDEO 2.1, 3.1
- Ultimotion
- Audio Video Interleave
(AVI)
RESOLUTION SUPPORTED BY MEDIABURST OPTION
Graphics AVI
File
Video Smooth
Mode
Colors
Format
Acceleration Scaling
---------------------------------------------------
16
ALL
No
No
256
8-bit
Yes
No
palletized
256
All Others
No
No
64K
All
Yes
Yes
16M
All
No
No
My thanks to Brad Parker for ripping apart his 77s and
sending me a scan.
Parallel
Port
ECP
Support
Does the 77i even support ECP? My printer/CD/ZIP drive
doesn't work...
From Peter
Do the following:
- boot into reference (either disk or system partition
if one installed)
- enter "Set configuration"
- find the "Parallel Port DMA" and set it to
"Disable".
- press [F10] to store the config ... [F3]/[F3] to
leave.
That should fix the problem. The 9577 -as
most PS/2- has a "DMA-arbitrated" LPT-port, which is
neither ECP nor EPP, only "sort of". The "Disable"
directs the machine not to use DMA during bi-directional
transfers and use a contigous data-stream.
The DMA-mode tends to miss backcoming
signals from PP-devices especially PP CD-ROMs, Tapes and
Zip-Drives. Some printer-drivers use the bi-directional
communication to signal details from the printer back to
the computer
Direct
Connection under W95
Yes it does work. I even used the ECP port
setting with the parallel cable. Both ports were at
Parallel 2, and DMA Arbitration 1.
For a detailed description of the DCC process, 95
to 95, 95 to 3.1x, etc. check out Connect
Pages at Kime.Net.
Parallel
Port "!" under W95 with Audiovation
I was thinking way too hard on this. The default
choice for W95 to assign an IO Range for a MCA parallel
port is 3BC-3BE. BUT this conflicts with the first
memory range of the S3 928 (check resources, the first
range is 3B00-3BFF). Set your parallel port to "parallel
2" under system programs, which is the standard 378-37D
address. Then under W9x, set the IO range to
378-37A.."!" goes away.
Cache Modules
Compatable
Cache Sources
From Aron Eisenpress
>Aron, spare me some pointless pondering. The two IDT
L2 cache modules are for WHAT VP system(s)?
Sorry.. let me be more clear!
The Lacuna cache modules physically fit the
ValuePoint 2 systems - the 6382/S, 6384/D, and 6387/T (not the 6384's with
30-pin SIMMs, which are so-called VP 1's, nor the Pentium-60's, nor the Si or
"Performance" models).
Here are *all* the IDT modules I know
about:
7MP6104: 128k WT for
Lacuna, as has been mentioned.
7MP6107: 128k WB for VP2;
works fine there.
7MP6108: 256k WB for VP2;
works fine in WT but not reliable in WB
mode. I didn't have a Lacuna to test this in
then.
7MP6150: 256k WB for VP2;
seems to work well.
7MP6155: 256k, I think
it's WT. This does not work properly in the VP2
with a cpu faster than a 486DX33, and when I tried it in
the 76s it worked but I got a message saying that
the copy of the FAT in memory was bad... so I don't
think it works properly there either! Maybe the chips
are too slow or something. We got these as add-ons
at the time we bought a bunch of VP2 DX33's, so I
presume they're supposed to work in them.
7MP6188: 128k, WT.
Seems to work in the 76s and also in the VP2.
There's another one which is
256K WB and worked fine in my 6382/S but I can't seem to
find a record of what the number was and I no
longer have that system.
Installing
Cache Module
Note the notch on the bottom of the module
on the corner. Now look at the cache socket. Notice the
white plastic part that seems to be useless? It isn't.
Insert the cache module so that the notch is towards the
white latch. If you want to remove the cache module,
pull up on the white latch (it's a captive part!) until
the notched corner of the cache module is pushed out of
the socket. Neat-o, isn't it? (Works fine in my
9585-xNx, but there isn't enough room in the 77s case to
effectively pull up on the latch...)
L2
Cache Modules
Cypress 128KB L2
Cache PN
06H3306

|
Cypress 128KB L2
Cache PN
06H3306
|
Cypress 256K L2 Cache
PN 06H3307
|
Cypress 256K L2 Cache
PN 06H3307
|
IDT 128K Write Through
IDT7MP6104
|
IDT 128K Write Through
IDT7MP6104
|
IDT 256KB WB
7MP6150
|
IDT 256KB WB
7MP6150
|
IDT 256KB WB
7MP6108
|
IDT 256KB WB
7MP6108
|
There has been a number of efforts to deduce the
proper choice of WT/WB with certain processors. But if
you search the newsgroup, some boards work one way, then
move the CPU and cache to another board, and it bombs.
Whatever works for you ....
Overclocking
the Lacuna board
From Zp Gu
This mod is relatively easy. I changed the
66.667mhz OSC to an 80mhz surface mount crystal/osc from
Digikey and the board is now running an AMD-133 at 160mhz
without any problem.
The board actually has 4 thru-holes under the
OSC, but IBM chose to put an SMD instead of a half size
socket. Socket would have made life much easier. I didn't
attempt to put a socket there since I don't have the right
equipment/skill to do so. I just soldered a surface mount
80Mhz to its place.
Putting a POD83 in failed POST. I can't
imagine Intel being so tight on this, but maybe it's just
my bad luck. Running it at 83mhz was no problem.
From Peter Wendt
My 9577-BTG chokes at power on with a 2401
"platform video error". Obviously my S3-928 chipset
dislikes the 40MHz base clock. On attempting to bypass
the error with [F1] - "Start operating system" the
system hangs with a GPF-screen at Win95 logon ... or
rebooted after the network adapter tried to insert into
the TR-network.
The effect was much worser with the
Kingston Turbochip - but also noticeable with the
original DX4-100 ... where in addition the VRM turned
really hot ! Significantly hotter than under normal
operation - a sign that the power drawn from the DX4 at
40MHz is "a little bit" higher than at 33MHz.
I had only a "full size" oscillator
and needed to build a sort of "adapter" from half-size
holes to full-size socket. But that's a minor problem.
*Then* I needed to solder an adapter for the original
66.6667MHz SMD-crystal ... Aaak !
Anyone tried that modification with a
"Bermuda" ? These have MCA XGA-2 cards and no "local bus
video" as the "Lacuna". Should work a bit better there
... probably.
From Zp Gu
This is definitely another warning to
anyone who contemplates the mod. You can't apply enough
disclaimers to this kind soldering. Mine has no
VRM, originally DX2/66 with ATT20C490-11 DAC. The cache
module feels very warm. But then again, it's always very
hot to the touch. I believe you can't set Kingston
TurboChip's level-1 cache to WB, hence it's the most
compatible upgrade (and least performing).
From Peter Wendt
Mine has the Booktree Bt495 RAMDAC ... the
cache module is the IDT 256K WT/WB with the IBM decals
(tested in both modes and without - no change). It
already gets really hot during operation - even with the
standard 486DX4.
Early
Lacuna Streaming Limitations
Symptom:
LanStreamer and EtherStreamer adapter do not work in
76i/77i with 25MHz planar (FRU P/N 95G9691)
Problem Isolation Aids:
Adapter cards function correctly in other 9576/9577 models
& 76i/77i with 33MHz planar.
Fix: Streaming
mode adapter cards are not supported for use with 76i/77i
systems fitted with 25MHz planar. The problem is caused by
a limitation of the level of Bus Interface Controller chip
used on this planar. 76i/77i systems with the 33MHz planar
are unaffected by this problem.
Solution: Replace the
systemboard FRU P/N 95G9691 with FRU P/N 96G1305.
(Identification - 95G9691 = 'yellow' / 96G1305 = 'blue'
Synchro Stream Controller.
The SPD jumper to the left of the
CPU-socket sets the processor base clock of 25 or 33MHz
- it is only present on the 25MHz-planars as far as I
know. These can be switched up to 33, but the 33MHz
planars cannot be switched down to 25MHz (wonder why !).
You will have to set the multiplier jumper to 3X when
you use the board in the setting with 33MHz. The 4x /
25MHz setting will also work - but the accesses on the
board level might be a bit slower.
The 25MHz boards are afflicted by a flaw in
the "Synchro Stream" controller: a large yellow or blue
chip somewhere in the middle of the board. If
yours is P/N 95G9691 and has the yellow synchro-stream
controller it might not work with the faster network
adapters of the IBM Streamer series. If it is P/N
96G1305 and has the blue synchro-stream controller it is
not afflicted by this misbehaviour. In "normal life"
this has no affect however - you only will take notice
if you use adapters that use the 80MB/s high speed data
streaming.
Speaker
Noise
From Peter
When the Lacunas came out there was a series
of falsely wired "speaker /power switch / LED" units -
which had the speaker wired to +5VDC of the HD activity
LED instead to GND. Now - these machines made a lot noise
when accessing the harddisk :-)
9595
Main Page
|